От
От

ГОСТ 9066-75
ШПИЛЬКИ ДЛЯ ФЛАНЦЕВЫХ
СОЕДИНЕНИЙ С ТЕМПЕРАТУРОЙ СРЕДЫ
ОТ 0 оС ДО 650 оС
Настоящий стандарт распространяется на шпильки односторонние и двусторонние для фланцевых соединений паровых и газовых турбин, паровых котлов, трубопроводов и соединительных частей, арматуры, приборов, аппаратов и резервуаров с температурой среды от 0 °С до 650 °С.
Шпильки изготавливаются следующих типов:
А — шпилька сплошная с одинаковыми номинальными диаметрами резьбы и гладкой части, применяемая для фланцевых соединений трубопроводов паровых котлов, паровых и газовых турбин, арматуры, приборов и резервуаров с температурой металла менее или равной 300 °С;
Б — шпилька сплошная с номинальными диаметрами резьбы, большими номинального диаметра гладкой части, применяемая для фланцевых соединений турбин, трубопроводов и соединительных частей паровых котлов, паровых и газовых турбин, арматуры, приборов, аппаратов и резервуаров с температурой металла свыше 300 °С;
В — шпилька с осевым отверстием по всей длине, с номинальными диаметрами резьбы, большими номинального диаметра гладкой части, и выступом четырехгранным «под ключ», затягиваемая с нагревом, применяемая для разъемов корпусов цилиндров паровых и газовых турбин, стопорных и регулирующих клапанов с контролируемым затягом шпильки и температурой металла от 0 °С до 650 °С;
Г — шпилька с осевым отверстием по всей длине, с номинальными диаметрами резьбы, большими номинального диаметра гладкой части, и цилиндрическим выступом на ввинчиваемом конце, затягиваемая с нагревом, применяемая для разъемов корпусов цилиндров паровых и газовых турбин, стопорных и регулирующих клапанов, арматуры с контролируемым затягом шпильки и температурой металла от 0 °С до 650 °С;
Д — шпилька с осевым отверстием по всей длине, с номинальными диаметрами резьбы, большими номинального диаметра гладкой части, затягиваемая с нагревом, применяемая для разъемов корпусов цилиндров паровых и газовых турбин, трубопроводов и соединительных частей, арматуры, стопорных и регулирующих клапанов с контролируемым затягом шпильки и температурой металла от 0 °С до 650 °С.

ГОСТ 9064 -75
ГАЙКИ ДЛЯ ФЛАНЦЕВЫХ СОЕДИНЕНИЙ
С ТЕМПЕРАТУРОЙ СРЕДЫ ОТ 0 ДО 650 С
Настоящий стандарт распространяется на гайки шестигранные и колпачковые для фланцевых соединений паровых и газовых турбин, паровых котлов, трубопроводов и соединительных частей, арматуры, приборов, аппаратов и резервуаров с температурой среды от 0 до 650 °С.
Стандарт не распространяется на фланцевые соединения объектов, подведомственных технадзору СССР, с условным давлением Ру менее 4 МПа (40 кгс/см2).
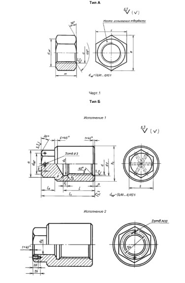
Гайки должны изготовляться следующих типов:
А — гайка шестигранная для фланцевых соединений, корпусов цилиндров паровых и газовых турбин, трубопроводов и соединительных частей, паровых котлов, арматуры, приборов, аппаратов и резервуаров;
Б — гайка колпачковая для фланцевых соединений корпусов цилиндров паровых и газовых турбин, стопорных и регулирующих клапанов и других соединений паровых котлов, паровых и газовых турбин.
486262@bk.ru
+7 (3812) 48-62-62
www.flanec-omsk.ru